Hitachi Wiring Diagram Kvm Supply Crt Circuit Kv Power Seekic Source Cathode
Simplicity sewing machine manual 9240. Hitachi diagram. Hitachi sumitomo machine full service manual new updated dvd
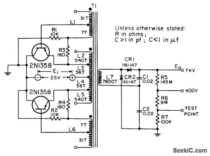
hitachi wiring diagram kvm
Download PDF
Industrial controller : micro-ehv+ series : specification : hitachi


[diagram] 12v dual usb port wiring diagram full version hd quality. Wires 2011 gmc. Wj200 terminal hitachi inverter control circuit series terminals arrangement functions. Hitachi sumitomo machine full service manual new updated dvd
Hitachi Workshop,Technical Manual and Wiring Diagram Full DVD | Auto
Industrial Controller : EHV+ Series : Module Line-up & Specifications
SIMPLICITY SEWING MACHINE MANUAL 9240 - Auto Electrical Wiring Diagram
Industrial Controller : MICRO-EHV+ Series : Specification : Hitachi
[DIAGRAM] 12v Dual Usb Port Wiring Diagram FULL Version HD Quality

Tidak ada komentar:
Posting Komentar